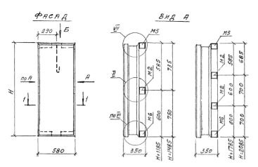
ПСТ 6.18.3.5

Чертеж изделия:
Характеристики изделия:
ПараметрЗначение
длина580 мм
ширина350 мм
высота1785 мм
масса330 кг
нормативный документШифр М25.13/98

ПСТ 6.18.3.5 Панели стеновые трёхслойные по Шифру М25.13/98.