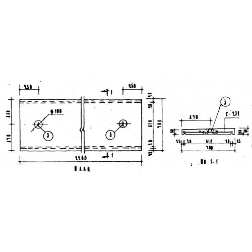
АП 2 плиты покрытия дымовентиляционных труб

Чертеж изделия:
Характеристики изделия:
ПараметрЗначение
длина2200 мм
ширина700 мм
высота80 мм
масса170 кг
нормативный документСерия ИИ 03-02

АП 2  Плиты покрытия дымовентиляционных труб по Серии ИИ 03-02.