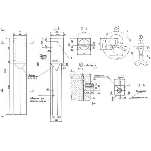
ТС 3.5

Чертеж изделия:
Характеристики изделия:
ПараметрЗначение
длина3500 мм
ширина670 мм
высота670 мм
вес1400 кг
серия3.501.1-149

ТС 3.5 Фундаменты трехлучевые стаканные по серии 3.501.1-149.