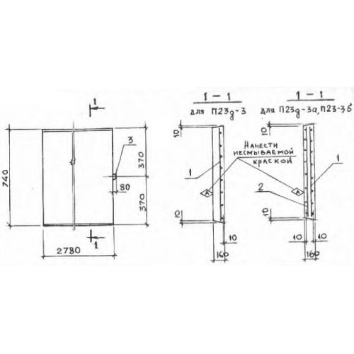
П 23 д плиты лотков

Чертеж изделия:
Характеристики изделия:
ПараметрЗначение
длина740 мм
ширина2780 мм
высота160 мм
масса820 кг
нормативный документСерия 3.006.1-2/87

П 23д Плиты перекрытия лотков доборные Серия 3.006.1-2/87.