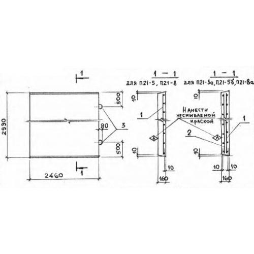
П 21/2 плиты лотков

Чертеж изделия:
Характеристики изделия:
ПараметрЗначение
длина1495 мм
ширина2460 мм
высота160 мм
масса1870 кг
нормативный документСерия 3.006.1-2/87

П 21/2 Плиты перекрытия лотков Серия 3.006.1-2/87.