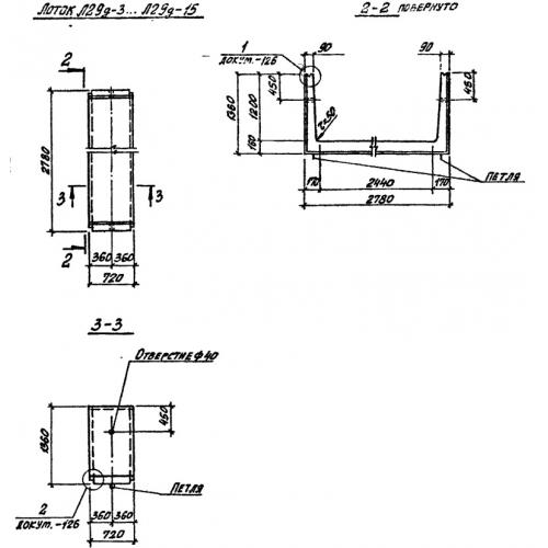
Л 29д лотки

Чертеж изделия:
Характеристики изделия:
ПараметрЗначение
длина720 мм
ширина2780 мм
высота1360 мм
масса1430 кг
нормативный документСерия 3.006.1-2/87

Л 29д Лотки теплотрасс доборные Серия 3.006.1-2/87.