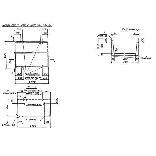
Л 30

Чертеж изделия:
Характеристики изделия:
ПараметрЗначение
длина2970 мм
ширина2780 мм
высота1660 мм
масса6450 кг
нормативный документСерия 3.006.1-2/82

Л 30  Лотки теплотрасс Серия 3.006.1-2/82.