ПП 3
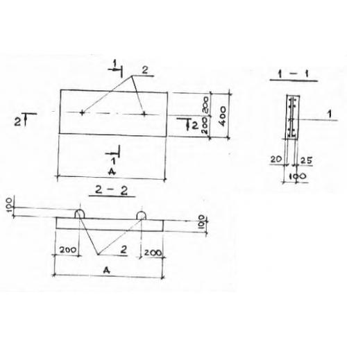
Характеристики изделия:
| Параметр | Значение |
|---|---|
| длина | 1000 мм |
| ширина | 400 мм |
| высота | 100 мм |
| вес | 100 кг |
| серия | 3.006-2 |
Цена:
Рассчитать стоимостьПП 3 Плиты перекрытия лотков по серии 3.006-2.
| Параметр | Значение |
|---|---|
| длина | 1000 мм |
| ширина | 400 мм |
| высота | 100 мм |
| вес | 100 кг |
| серия | 3.006-2 |
ПП 3 Плиты перекрытия лотков по серии 3.006-2.
