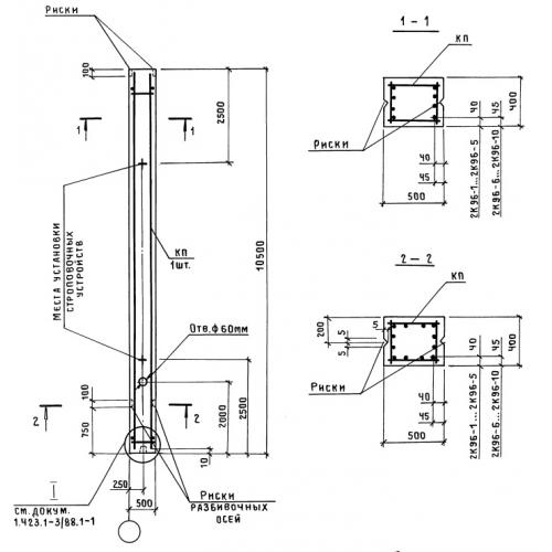
К 96 колонны

Чертеж изделия:
Характеристики изделия:
ПараметрЗначение
длина10500 мм
ширина400 мм
высота500 мм
масса5300 кг
нормативный документСерия 1.423-3

К 96  Колонны Серия 1.423-3.