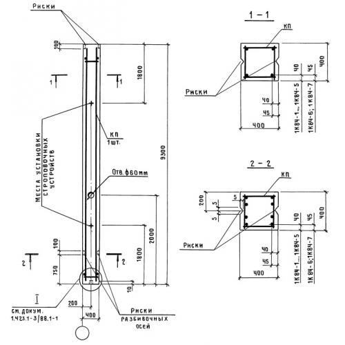
К 84 колонны

Чертеж изделия:
Характеристики изделия:
ПараметрЗначение
длина9300 мм
ширина400 мм
высота400 мм
масса3700 кг
нормативный документСерия 1.423-3

К 84  Колонны Серия 1.423-3.