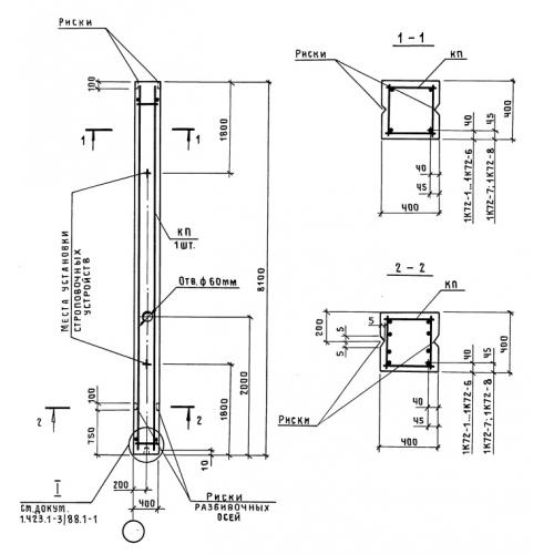
К 72 колонны

Чертеж изделия:
Характеристики изделия:
ПараметрЗначение
длина8100 мм
ширина400 мм
высота400 мм
масса3200 кг
нормативный документСерия 1.423-3

К 72  Колонны Серия 1.423-3.