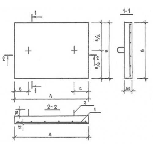
ПТ 8.6 плиты плоские железобетонные

Чертеж изделия:
Характеристики изделия:
ПараметрЗначение
длина800 мм
ширина600 мм
высота80 мм
масса95 кг
нормативный документСерия 1.243.1-4

ПТ 8.6  Плиты плоские железобетонные Серия 1.243.1-4.