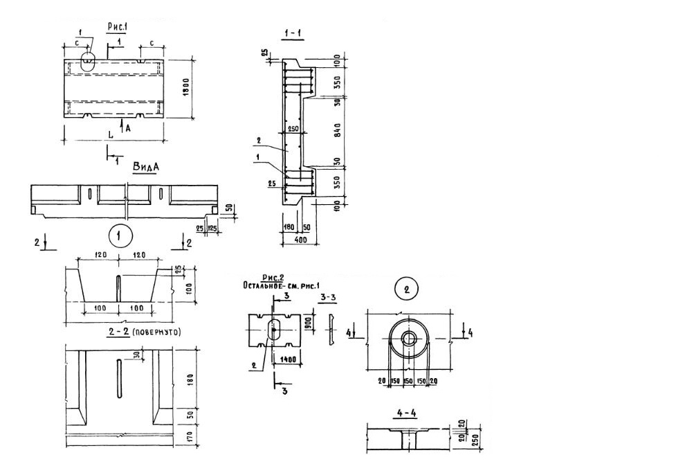
ЛРТ 36.18.40 ла

Чертеж изделия:
Характеристики изделия:
ПараметрЗначение
длина3580 мм
ширина1800 мм
высота400 мм
масса2720 кг
нормативный документСерия 1.165.1-12

ЛРТ 36.18.40 ла  Водосбросные лотковые плиты с водоприемной воронкой, Серия 1.165.1-12.