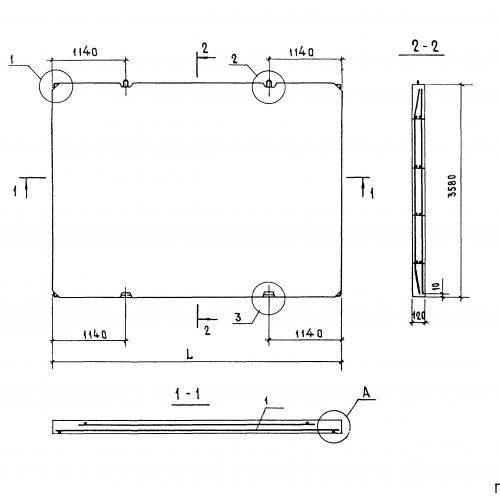
П 36.60.12

Чертеж изделия:
Характеристики изделия:
ПараметрЗначение
длина5980 мм
ширина3580 мм
высота120 мм
вес6420 кг
серия1.143.1-7

П 36.60.12 Плиты перекрытий по серии 1.143.1-7.