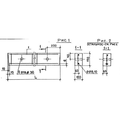
1ПР 12

Чертеж изделия:
Характеристики изделия:
ПараметрЗначение
длина1290 мм
ширина120 мм
высота190 мм
вес75 кг
серия1.138-10

1ПР 12 Перемычки брусковые по серии 1.138-10.