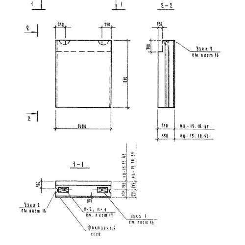
НЦ 15.18.45

Чертеж изделия:
Характеристики изделия:
ПараметрЗначение
длина1480 мм
ширина450 мм
высота1810 мм
вес2695 кг
серия1.116-5

НЦ 15.18.45 Наружные цокольные блоки по серии 1.116-5.