4 ОСП 40

Чертеж изделия:
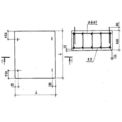
Характеристики изделия:
ПараметрЗначение
длина1800 мм
ширина1800 мм
высота600 мм
вес4850 кг
серия1.111.1-4

4ОСП 40 Оголовки свайные с платформенным сопряжением по серии 1.111.1-4.