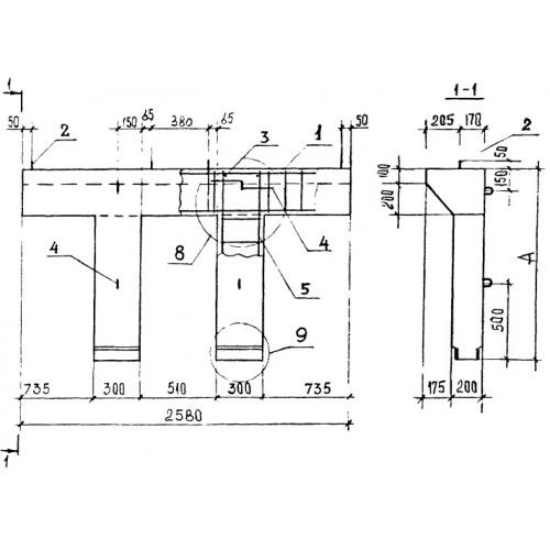
ЛР 14 лестничная рама

Чертеж изделия:
Характеристики изделия:
ПараметрЗначение
длина2580 мм
ширина1410 мм
высота375 мм
масса925 кг
нормативный документСерия 1.050.1-2

ЛР 14  Лестничные рамы Серия 1.050.1-2.