ПС 51.120.3.5 панели стеновые

Чертеж изделия:
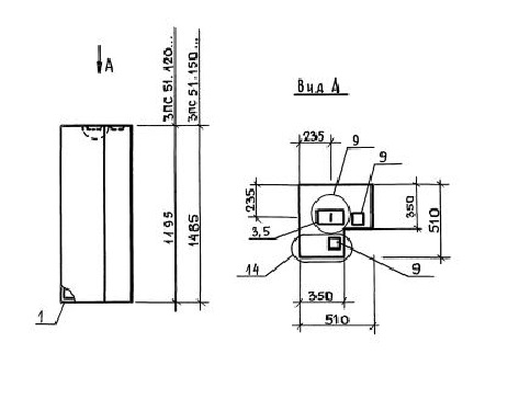
Характеристики изделия:
ПараметрЗначение
длина510 мм
ширина350 мм
высота1185 мм
масса420 кг
нормативный документСерия 1.030.1-1/88

ПС 51.120.3.5  Панели стеновые Серия 1.030.1-1/88.