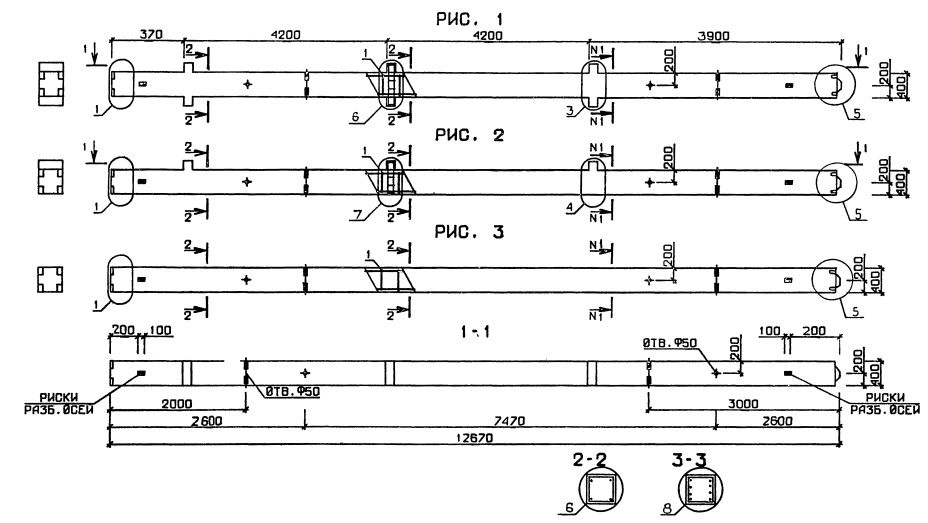
3КБО 4.42

Чертеж изделия:
Характеристики изделия:
ПараметрЗначение
длина12670 мм
ширина400 мм
высота550 мм
масса5730 кг
нормативный документСерия 1.020.1-3пв

3КБО 4.42  Колонны бесстыковые одноконсольные Серия 1.020.1-3пв.