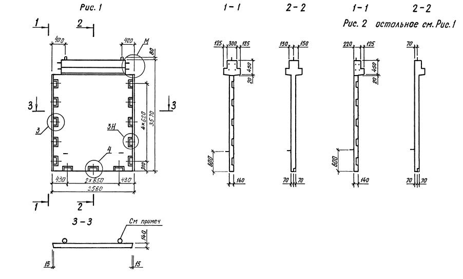
2Д 26.36

Чертеж изделия:
Характеристики изделия:
ПараметрЗначение
длина2560 мм
ширина550 мм
высота3570 мм
масса3930 кг
нормативный документСерия 1.020.1-3пв

2Д 26.36  Диафрагмы жесткости с двумя полками Серия 1.020.1-3пв.