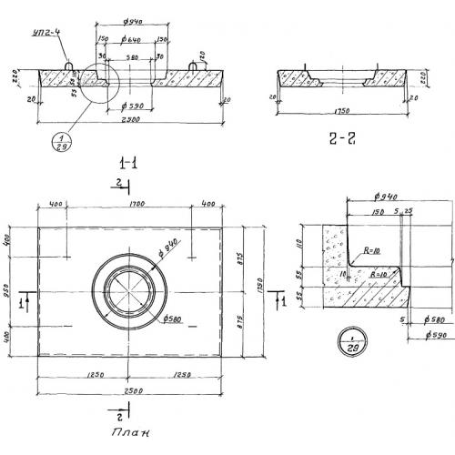
ПД 6 плиты дорожные

Чертеж изделия:
Характеристики изделия:
ПараметрЗначение
длина2500 мм
ширина1750 мм
высота220 мм
масса2260 кг
нормативный документГОСТ 8020-90

ПД 6 Плиты дорожные с отверстием под люк ГОСТ 8020-90.