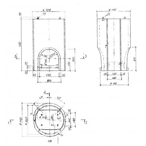
ВС 10 рабочие камеры водосточных колодцев

Чертеж изделия:
Характеристики изделия:
ПараметрЗначение
длина1160 мм
ширина1160 мм
высота1800 мм
масса1350 кг
нормативный документАльбом РК 2201-82

ВС 10  Рабочие камеры водосточных колодцев Альбом РК 2201-82.